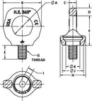
Hoist Eye 360® (kg)


Description

You may also like

Recently viewed