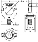
Hoist Eye 360® (lbs)


Description

You may also like

Recently viewed